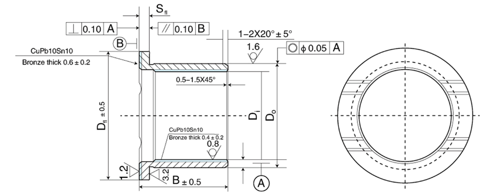
| D f1 ±0,5 | S 3 ±0,05 | D o | D1 | S f1 | B ±05 | ||
| 44 | 3.5 | 36 | -0,15 -0,10 | 30 | 3 | -0,15 -0,10 | 40 |
| 45 | 4 | -0,03 -0,08 | 30 | ||||
| 60 | 3.5 | 41 | -0,13 -0,08 | 35 | -0,09 -0,15 | 42 | |
| 52 | 4 | 0 -0,05 | 35 | ||||
| 54 | 3.5 | 42 | -0,10 -0,05 | 3.5 | -0,02 -0,07 | 30 | |
| 60 | 4.52 | 44 | -0,14 -0,09 | 40 | 2 | -0,03 -0,08 | 39.5 |
| 53 | 4.5 | 40 | |||||
| 60 | 4 | 39.5 | |||||
| 66 | 4 | 45 | 2.4 | 40 | |||
| 60 | 4.5 | 46 | 8 | 3 | 39.5 | ||
| 61 | 4 | 0 -0,05 | 40 | ||||
| 62 | 4 | 47 | -0,13 -0,07 | 3.5 | -0,08 -0,13 | 49 | |
| 70 | 4.5 | 54 | -0,19 -0,14 | 50 | 2 | -0,03 -0,08 | 53 |
| 68 | 4.52 | 54.9 | -0,045 -0,005 | 48 | 3.5 | -0,045 -0,095 | 41.3 |
| 70 | 3.5 | 56 | -0,16 -0,11 | 50 | 3 | -0,09 -0,14 | 48 |
| 76 | 3.5 | 57 | -0,10 -0,05 | 3.5 | 0.01 -0,04 | 54 | |
| 70.5 | 8 | 58 | -0,14 -0,09 | 4 | -0,11 -0,16 | 46 | |
| 92 | 4.52 | 60.6 | -0,03 -0,02 | 54.4 | 3.1 | 0.02 -0,03 | 59 |
| 87 | 4.5 | 67 | -0,15 -0,10 | 60 | 3.5 | -0,06 -0,11 | 60 |
| 77 | 4.5 | -0,08 -0,13 | 65 | ||||
| 88 | 8 | 68 | 4 | -0,075 -0,125 | 58 | ||
| D f1 ±0,5 | S 3 ±0,05 | D o | D 1 | S f1 | B ±05 | ||
| 88 | 4.5 | 68 | 0.15 0.10 | 60 | 4 | -0,07 -0,12 | 60 |
| 87 | 4.5 | 69 | 0.19 0.14 | 65 | 2 | -0,03 -0,08 | 64.5 |
| 103 | 4.52 | 70.7 | 0.09 -0,04 | 63.7 | 3.5 | 0 -0,05 | 65 |
| 103 | 4.52 | 63.3 | 3.7 | 0.01 -0,04 | 73 | ||
| 86.4 | 4.5 | 72 | 0.15 0.09 | 65 | 3.5 | -0,08 -0,13 | 64.5 |
| 95 | 4.52 | 0.27 0.21 | -0,045 -0,095 | 71.5 | |||
| 95 | 3.5 | 0.09 0.03 | -0,015 -0,065 | 64 | |||
| 108 | 3.5 | -0,03 -0,08 | 75 | ||||
| 87 | 4.5 | 0.11 0.06 | 0.01 -0,04 | 53 | |||
| 95 | 4.52 | 0.27 0.21 | -0,045 -0,095 | 67.5 | |||
| 99 | 4.5 | 74 | 0.19 0.14 | 70 | 2 | -0,03 | 74 |
| 112 | 4.6 | 77 | 0.27 0.21 | 3.5 | -0,08 | 89.5 | |
| 95 | 4.5 | 0.14 0.09 | -0,04 -0,10 | 72 | |||
| 112 | 4.52 | 0.27 0.21 | -0,005 -0,055 | 89.7 | |||
| 93 | 6 | 78 | 0.15 0.09 | 4 | -0,09 -0,14 | 71 | |
| 93 | 8 | 80 | 0.16 0.10 | 5 | -0,075 -0,125 | 70 | |
| 107 | 4.5 | 83 | 75 | 4 | -0,07 -0,13 | 74 | |
| 97 | 10 | 85 | 0.17 0.12 | 5 | -0,10 -0,16 | 79.5 | |
| 97 | 5 | 0.155 0.095 | 70 | ||||
| 120 | 3.8 | 92.6 | 0.16 0.09 | 85 | 3.8 | 0.06 0 | 93 |
| 120 | 6 | 93 | 4 | -0,11 -0,17 | 94 | ||
Výše uvedené velikosti jsou pouze orientační, HZ může vyrobit díly podle výkresů zákazníků.

Odpovíme vám do 12 hodin od pracovního dne.
Huazhou se jako jeden z velkých komplexních podniků specializuje na výzkum a vývoj, výrobu, prodej a servis produktů samomazných ložisek.
Huazhou je vybaveno špičkovým zařízením pro výzkum a vývoj a personálem a má více než 200 sad zařízení různých velikostí, včetně navíjecích strojů, děrovacích strojů, plně automatických srážecích strojů, plně automatických navíjecích strojů, linek na slinování surovin atd. Je také vybaveno tisíci sadami brusných nástrojů a efektivita výroby jeho produktů dosáhla nové výšky. Vzorky jsou vyrobeny za 3 dny, s denní produkcí 500 000 kusů a roční produkcí stovek milionů kusů.
Zavedení více než 260 speciálních zařízení vybavených desítkami tisíc forem, více než 150 profesionálů a 30 automatických výrobních linek.
Náš prodej produktů v různých provinciích v Číně a široce používaný v různých strojírenských odvětvích, Volkswagen, BYD atd., as mezinárodními standardy, export do Ruska, Malajsie, Tasanie, Iráku, Rumunska a dalších 16 zemí.
