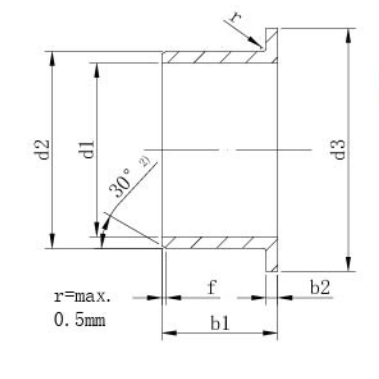
Přírubové ložisko HZ-GFM kombinuje radiální únosnost s řízením axiálního vyrovnání díky integrované konstrukci příruby. Vyrobeno z tepelně stabilizovaných polymerů, odolává občasnému rázovému zatížení a nesouososti v automobilových spojích, HVAC tlumičích nebo systémech manipulace s materiálem.
Základní vlastnosti
Konstrukce příruby: Zabraňuje axiálnímu posunu; zjednodušuje montáž do pouzdra z měkkého materiálu.
Materiál: PA66 nebo PEEK vyztužený skelnými vlákny pro zvýšenou teplotní odolnost (krátkodobě až 180°C).
Instalace: Kompatibilní s lisovanými nástroji (např. série PT-1350) pro rychlou montáž.
Použití: Tělesa čerpadel, vodítka elektrického pohonu a válečky dopravníku vyžadující dvousměrnou stabilitu.















